分类
特 点 Features
● dv/dt抑制restrain。
● 过电压限制。Overvoltage limit.
● 减少变频器电磁干扰。Reduce electromagnetic
interference of frequency converter.
应 用 Application
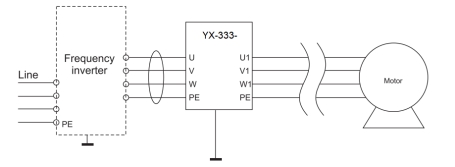
● 变频器、UPS等交直流设备的输出滤波。
Inverter, ups and other AC and DC equipment output filtering.
● 减小变频器及马达线圈损耗。
Reduce the loss of inverter and motor coil.
性能指标 Characteristcs
额定电压Rated voltage | 480/275VAC | |
工作频率 Operating Frequency | DC~120Hz | |
开关频率 switching frequency | ≤60KHz | |
额定电流Rated curren | 5~200A@40℃max. | |
耐压试验 (60s) Test Voltage | 1500VDC(线-线Line - line) 2250VDC(线-地Line - ground) 3000VDC/2S | |
气候类别 Climate category | 40/100/21 | |
产品型号表 Filter Table
型号 model | 接线方式:输入输出 | 额定电流A Rated curren | 电路图Fig. Circuit diagram | 外形尺寸Fig. Outline Drawing | ||
|
|
| ||||
YX-333-5- | TT | 5 | 1 | 1 | ||
YX-333-10- | SS | 10 | 1 | 2 | ||
YX-333-16- | SS | 16 | 1 | 2 | ||
YX-333-20- | SS | 20 | 1 | 2 | ||
YX-333-25- | SS | 25 | 1 | 2 | ||
YX-333-35- | SS | 35 | 1 | 2 | ||
YX-333-50- | SS | 50 | 1 | 3 | ||
YX-333-65- | SS | 65 | 1 | 3 | ||
YX-333-80- | SS | 80 | 1 | 4 | ||
YX-333-100- | SS | 100 | 1 | 4 | ||
YX-333-130- | SS | 130 | 1 | 4 | ||
YX-333-160- | SS | 160 | 1 | 4 | ||
YX-333-200- | SS | 200 | 1 | 4 | ||
电原理图Typical Circuit Diagram

Fig.1
接线图Connection Diagram

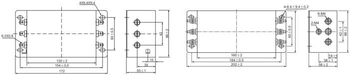
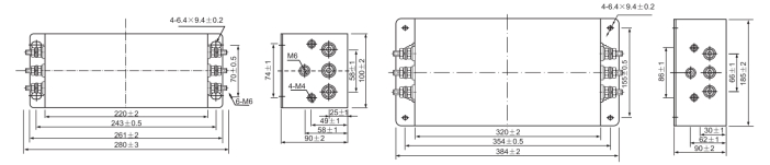
外形尺寸图 Outline Drawing : mm

Fig.1 (5A) Fig.2 (10A~35A)

Fig.3 (50A~65A) Fig.4 (80A~200A)
CopyRight © 2025 常州市南宫ng28有限公司 版权所有 苏ICP备2022034447号-1 网站地图 所有标签 免责声明 中环互联网常州网站建设